TOP
首页 > 新闻动态
2025-11-18
在光通信网络高速发展的当下,光开关作为信号路由与调度的核心设备,其小型化、高集成度、精准检测能力成为行业核心需求。广西科毅光通信科技有限公司(官网:www.coreray.cn)自主研发的集成光检测光开关,创新性地将光检测装置融入光开关内部,复用波分复用(WDM)等核心组件实现光性能实时监测,彻底解决了传统外置OPM模块导致的系统体积庞大问题,为光通信网络的高效运维与小型化部署提供了最优解。
传统光通信系统中,光开关与光性能监测(OPM)模块多为独立部署,不仅增加了设备占地面积与部署成本,还存在信号传输损耗与故障定位滞后等问题。
科毅光通信研发的光开关产品,通过一体化集成设计,实现三大核心突破:
1. 集成化设计:光检测装置内置,无需外置OPM模块,系统体积缩减40%以上,满足高密度部署需求;
2. 高效复用:复用光开关内部WDM装置、分光器等组件,降低硬件成本,同时减少信号传输环节,提升检测准确性;
3. 实时监测:支持多波长信号的光功率、频偏等关键参数同步检测,故障定位效率提升50%,保障网络稳定运行。
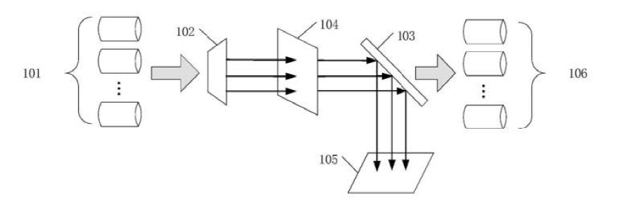
科毅光通信这款光开关产品核心由第一端口、第二端口、WDM装置、分光器、光交换装置、光检测装置等组件构成,根据光路设计差异,分为两种核心架构,适配不同应用场景:
如图1所示,该架构的光开关工作流程如下:
1. 第一端口接收多波长输入光信号,传输至第一WDM装置;
2. WDM装置对多波长信号进行分波,实现各波长信号的空间分离;
3. 分光器将分波后的光信号分为两路——第一子信号(占比90%以上,保障通信主功能)与第二子信号(占比≤10%,用于检测);
4. 第一子信号经光交换装置完成路由调度后,从第二端口输出;
5. 第二子信号输入光检测装置,实时监测各波长信号的光功率、频偏等参数。

图1 第一种集成光检测光开关结构示意图
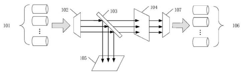
如图2所示,该架构针对高带宽调度场景优化,调整了分光器与光交换装置的光路顺序:
1. 多波长信号经WDM装置分波后,先由光交换装置完成路由调度;
2. 分光器对交换后的光信号拆分,一路输出,一路送入光检测装置;
3. 核心优势在于减少交换环节的信号损耗,适配长距离光通信场景。

图1 第二种集成光检测光开关结构示意图
1. 光检测装置:支持PDA(光电二极管阵列)、CCD、CMOS三种类型,精准检测多波长信号光功率、频偏;
2. WDM装置:采用高分辨率光栅,实现多波长信号高效分波/合波;
3. 光交换装置:可选LCOS(硅基液晶)或MEMS(微机电系统)技术,切换速度快、串扰低;
4. 光斑优化:通过光路设计,使光交换装置与光检测装置上的光斑分布一致(如图3),避免波长交叠,提升检测精度。

图3 光交换装置和光检测装置上分布的光斑示意图
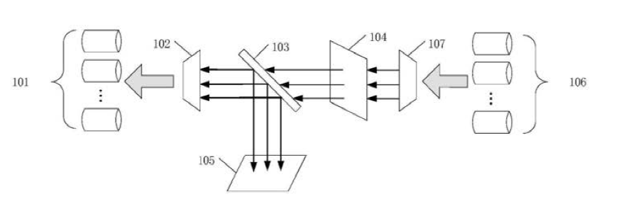
科毅光通信的光开关产品支持双向通信与功能拓展,满足复杂网络需求:
如图4、图5所示,产品通过双WDM装置设计,使第一端口与第二端口可互为输入/输出端口,实现双向光信号的交换与检测:
5. 正向:第一端口输入→分波→分光→交换→输出+检测;
6. 反向:第二端口输入→分波→交换→分光→输出+检测;
7. 适配全双工光通信网络,提升设备利用率。

图4 提供的第三种光开关的结构示意图

图5 光开关的另一种光路示意图
根据应用场景需求,可额外配置光束整形装置与光束准直装置(如图6):
8. 光束整形装置:减小光束发散角,提升光束质量;
9. 光束准直装置:对分波后的波长信号进行准直,便于分光与交换;
10. 适配不同传输距离、不同功率等级的光通信系统。

图6 第四种光开关的结构示意图
这款集成光检测光开关凭借小型化、高集成、精准检测的优势,广泛应用于以下场景:
1. 长距离DWDM(密集波分复用)传输网络:实时监测光功率、频偏,快速定位链路故障;
2. 数据中心光互联:满足高密度部署需求,简化机房布线与运维;
3. 5G承载网:适配移动前传/回传网络的灵活调度与实时监测需求;
4. 光纤传感网络:精准检测多波长传感信号,提升传感精度与响应速度。
广西科毅光通信科技有限公司深耕光通信领域多年,专注于光开关、光分路器、波分复用设备等核心产品的研发、生产与销售。公司拥有一支由光学工程、通信技术专家组成的研发团队,具备从芯片选型、光路设计到成品测试的全链条研发能力,产品通过ISO9001质量体系认证,性能指标达到行业领先水平。
我们为客户提供定制化解决方案,可根据不同应用场景调整光开关的端口数量、分光比、检测参数等核心指标,同时提供7×24小时技术支持与三年质保服务,保障设备稳定运行。
项目 | 技术指标 |
核心功能 | 光信号交换+光功率/频偏检测 |
输入信号类型 | 多波长DWDM信号 |
WDM装置类型 | 高分辨率光栅 |
光交换装置类型 | LCOS/MEMS(可选) |
光检测装置类型 | PDA/CCD/CMOS(可选) |
分光比 | 可定制(默认98:2) |
端口配置 | 双向端口(可定制M×N规格) |
系统体积 | 较传统方案缩减40%以上 |
择合适的光开关是一项需要综合考量技术、性能、成本和供应商实力的工作。希望本指南能为您提供清晰的思路。我们建议您在明确自身需求后,详细对比关键参数,并优先选择像科毅光通信这样技术扎实、质量可靠、服务专业的合作伙伴。
访问广西科毅光通信官网www.coreray.cn浏览我们的光开关产品,或联系我们的销售工程师,获取专属的选型建议和报价!