TOP
首页 > 新闻动态
2026-02-10
随着光通信技术的快速发展,光模块作为光电转换的核心器件,其性能的可靠性直接影响整个通信系统的质量。在光模块的生产与测试过程中,耦合环节尤为关键。传统的光模块耦合设备常存在操作繁琐、效率低下等问题,尤其是在供电与检测装置的对位与连接上,往往需要多次手动调整,不仅耗时耗力,也增加了人为误差的风险。
针对这一行业痛点,广西科毅光通信科技有限公司(以下简称“科毅光通信”)持续关注并研发更高效、更智能的耦合解决方案。近期,一项关于“光模块耦合装置和光模块耦合设备”的实用新型技术通过创新的结构设计,实现了供电与检测单元的同步自动对位与连接,极大提升了耦合测试的效率和一致性。
光模块在生产过程中需对其内部芯片与光学透镜进行精确的耦合调试,以确保光电信号转换的准确性。传统的耦合设备中,供电接口和光学检测探头通常为独立模块,各自具备独立的移动机构和控制系统。操作人员需要分别将这两个单元对齐并连接到光模块的两侧,步骤多、耗时长,且对操作人员的熟练度要求较高。
此外,在批量测试场景下,重复的手动操作不仅效率低下,还容易因疲劳或误操作导致连接不到位,影响测试结果的可靠性,甚至可能损坏精密的光模块元件。因此,行业亟需一种能够实现快速、准确、自动化对接的耦合装置。
本实用新型技术的核心在于提出了一种结构精巧、操作便捷的光模块耦合装置。该装置主要由底座、耦合组件和驱动机构三大部分构成,通过机械联动实现供电座与检测座的同步相向运动,从而一次性完成与光模块两侧接口的连接。
底座与导轨系统:装置底座上设有高精度的直线导轨,为滑动部件提供稳定、低摩擦的运动路径。
耦合组件:包含相对设置的供电座和检测座。供电座负责与光模块的电气接口连接并提供工作电源;检测座则集成光学检测探头,用于接收并分析光模块输出的光信号。两者中至少一个可沿导轨滑动。
驱动机构:通过一个统一的动力源(可以是电动、气动或手动杠杆机构)同时驱动供电座和检测座沿导轨相向运动,确保两者同步、平稳地对接至光模块两端。
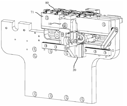
图1:光模块耦合设备整体结构示意图

图示为集成该耦合装置的完整光模块耦合设备,包含定位、耦合、点胶及封装功能区。
当光模块被放置在专用的定位座上并固定后,操作人员只需启动驱动机构。驱动机构通过巧妙的连杆或滑块机构,同时拉动或推动供电座和检测座沿导轨向中心移动,直至与光模块两侧的接口紧密、准确地连接。
这一设计带来了多重显著优势:
操作极简化:将原本两个独立步骤合并为一步,显著降低了对操作人员的技术要求,提升了工作效率。
对接高精度:机械联动保证了供电与检测单元运动的同步性和轨迹一致性,避免了人工分别对接可能产生的角度偏差或位置误差,提升了测试的重复精度。
可靠性增强:减少了因反复插拔或对接不准造成的接口物理损伤风险,保护了昂贵的光模块产品。
易于集成自动化:该装置结构非常适合集成到全自动或半自动的光模块生产与测试流水线中,为实现智能制造提供了硬件基础。
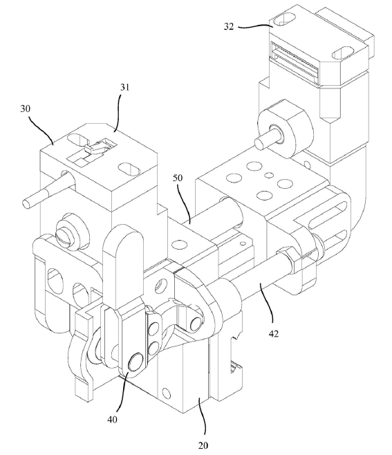
图2:光模块定位装置与耦合装置对接示意图

图中清晰展示了光模块如何被定位,以及耦合组件如何相向运动完成对接。
为了更好地理解该装置的优越性,让我们深入几个关键的设计细节。
技术中披露了一种高效可靠的驱动方案。它采用了类似曲柄滑块机构的原理,由一个可转动的原动件、连接杆和滑动杆组成。当转动原动件(可通过手柄手动操作或电机驱动)时,通过连接杆将旋转运动转化为滑动杆的直线运动。
图3:光模块耦合装置核心结构图

图4:光模块耦合装置结构爆炸图

特别巧妙的是,设计确保了机构在某些位置能形成“死点”。当机构运行至死点位置时,即使撤去外力,整个机构也能保持自锁状态,使得供电座和检测座能够稳定地保持与光模块的连接状态,而无需持续施加作用力。这在进行长时间的耦合调试或测试时尤为有用,既保证了连接稳定性,又解放了操作人员。
考虑到不同型号、不同尺寸的光模块可能存在接口位置的高度差异,该装置的供电块和检测块均设计了高度可调机构。通常通过在安装块上设置竖向的腰型孔,配合螺丝进行固定,实现安装高度在数个毫米范围内的精细调节,确保了装置的广泛兼容性。
同时,装置上设置了多级限位件:
第一、第二限位件:分别从检测座和供电座向内侧凸出,用于在相向运动时与光模块定位座接触,防止运动过度对光模块造成挤压。
第三限位件:安装在导轨两端,作为滑动部件的行程终点限位,防止其在复位时脱轨或撞击其他部件。
这些设计充分体现了对设备安全性和产品保护性的周全考虑。
为了进一步提升操作效率,装置还集成了弹性复位组件。该组件通常包括一根导向杆和套在其上的压缩弹簧,两端分别抵在供电座和检测座上。
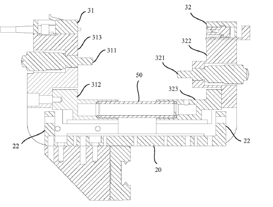
图5:光模块耦合装置结构剖视图

当完成耦合测试,解除驱动机构的锁紧力后,被压缩的弹簧会释放能量,自动将供电座和检测座推回初始分离位置。这一设计免去了手动回退的步骤,使得测试循环更加快速流畅,同时也为下一次测试做好了准备。
此项光模块耦合装置技术技术,不仅解决了一个具体的生产测试痛点,更代表了光通信设备生产向更高效、更自动化、更可靠方向发展的趋势。它的价值体现在:
1. 提升生产效率:大幅缩短单件产品的耦合准备时间,尤其适用于光开关、光收发模块等需要批量测试的产品线。
2. 保证产品品质:一致的对接力与位置精度,减少了人为因素导致的质量波动,提升了产品性能的一致性和可靠性。
3. 降低综合成本:减少了操作人员数量和培训成本,降低了因操作不当导致的模块损坏率,从长远看有效控制了生产成本。
4. 推动产线升级:其模块化、自动化的特性,是构建柔性智能制造单元(Cell)的理想组成部分,助力光通信生产企业进行智能化改造。
作为深耕光通信领域的国家高新技术企业,广西科毅光通信科技有限公司始终致力于将前沿的技术技术转化为可落地、能赋能的实用产品和解决方案。我们不仅关注光开关等核心器件的研发与生产,也持续投入对生产与测试工艺设备的优化研究,旨在为客户提供从核心器件到高效生产工具的全方位支持。
关于我们:
广西科毅光通信科技有限公司(www.coreray.cn)是一家专业从事高端光通信器件研发、生产与销售的高新技术企业。公司核心产品包括各类光开关(机械式、MEMS式)、光衰减器、光模块及子系统等,广泛应用于数据中心、电信传输、测试测量及国防科研等领域。我们坚持以技术创新驱动发展,为客户提供稳定可靠的产品与专业高效的服务。
择合适的光开关等光学器件及光学设备是一项需要综合考量技术、性能、成本和供应商实力的工作。希望本指南能为您提供清晰的思路。我们建议您在明确自身需求后,详细对比关键参数,并优先选择像科毅光通信这样技术扎实、质量可靠、服务专业的合作伙伴。
访问广西科毅光通信官网www.coreray.cn浏览我们的光开关产品,或联系我们的销售工程师,获取专属的选型建议和报价!
(注:本文部分内容由AI协助习作,仅供参考)