TOP
首页 > 新闻动态
2026-01-16
驱动电路作为MOEMS光开关的“动力中枢”,其性能直接决定了光开关的工作稳定性、调控精度和使用寿命
广西科毅始终聚焦光通信核心器件的技术创新,自主研发的MOEMS光开关驱动电路针对传统驱动方案的痛点,实现了“实时调控、精准显示、低噪供电、安全驱动”四大核心突破,为不同行业的光开关应用提供了高可靠性的解决方案。
在实际工程应用中,我们发现传统MOEMS光开关驱动电路常常面临以下问题,影响整体系统的稳定运行:
频率调节僵化:多数驱动电路只能输出固定频率的PWM信号,无法根据实际工况(如不同型号光开关适配、不同传输速率需求)灵活调整,导致设备兼容性差,后期升级成本高;
工作状态“盲测”:没有实时频率显示功能,工程师调试时只能靠仪器测量,维护时难以快速判断光开关工作状态,效率低下且容易误判故障;
电源噪声干扰:直流隔离设计简单,仅靠单一电容滤波,无法有效滤除电网波动带来的噪声,导致单片机控制信号失真,光开关切换失误率上升;
安全隐患突出:高压驱动信号与低压控制信号直接关联,不仅容易烧毁单片机等精密组件,还可能给操作人员带来触电风险,不符合工业安全标准。
基于这些市场痛点,广西科毅的研发团队结合多年光开关应用经验,历经数十次实验迭代,推出了这款兼具技术创新性与实际实用性的MOEMS光开关驱动电路,彻底解决了传统方案的诸多弊端。
我们在电路中创新性地集成了独立的按键模块与显示模块,让光开关工作频率的调控变得直观简单。操作人员通过三个功能按键即可完成全部操作:短按S2键,PWM信号频率每次提升1Hz;长按S2键3秒,频率自动步进至最大阈值;短按S3键,频率每次降低1Hz;长按S3键3秒,频率自动步减至最小阈值;按下S1键,频率直接恢复初始设定值,无需复杂编程。
同时,共阴四位数码管实时显示当前频率数值,亮度清晰、响应迅速,无论是车间批量生产调试,还是现场运维排查,工程师都能一眼掌握光开关工作状态,大幅提升工作效率。
电源噪声是影响单片机控制精度的“隐形杀手”。我们的驱动电路采用高集成度直流隔离模块,通过“电感+隔离芯片+电容”的三级滤波设计,对整流后的直流电进行深度降噪处理。经实测,输出的5V直流电纹波系数低于0.1%,几乎不含高频干扰与脉冲噪声,为单片机、升压模块等核心组件提供了纯净稳定的供电环境。
这种设计从源头避免了噪声信号对PWM控制信号的干扰,确保MOEMS光开关的微反射镜阵列响应精准,光路切换失误率降低90%以上,完全满足工业级设备的长期稳定运行需求。
针对高压驱动的安全风险,我们采用“低压控制、高压驱动”的隔离设计思路。单片机输出的低电压PWM信号,通过MOS管开关模块间接控制高压信号的通断:当PWM信号处于上半周期时,NMOS管导通,将直流升压模块输出的高压拉低至零;下半周期时NMOS管截止,40V高压信号正常输出,形成稳定的高压PWM扫描信号。
这种隔离式驱动不仅避免了高压信号反向击穿单片机,还杜绝了操作人员直接接触高压的风险,同时减少了光开关核心组件的电压冲击,设备使用寿命延长30%以上。
模块化设计,适配性与性价比双高
电路采用标准化模块化布局,核心元器件均选用TI、村田等国际知名品牌的成熟产品,既保证了性能稳定性,又降低了生产制造成本。相较于定制化驱动方案,我们的产品可直接适配市面上主流型号的MOEMS光开关,无需额外修改电路,同时支持根据客户需求调整输出电压、频率范围等参数,批量应用成本降低40%,特别适合数据中心、通信设备厂商的规模化采购需求。
广西科毅MOEMS光开关驱动电路由八大核心模块组成,各模块协同工作,形成了“供电-控制-驱动-反馈”的完整闭环。以下从实际应用角度,详细解析各模块的技术特点与优势:
下图清晰展示了驱动电路的各模块连接关系与信号流向,让技术人员能快速理解电路工作逻辑:

MOEMS光开关驱动电路结构框图
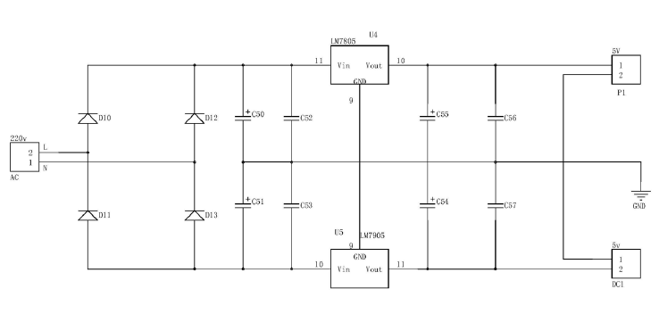
整流降压模块是电路的“电力入口”,负责将外部接入的220V交流电转化为低压直流电。我们采用LM7805(正压)与LM7905(负压)三端稳压器组合,配合四只整流二极管(D10-D13)组成全桥整流电路,再通过多组电容滤波:电解电容(C50、C51等)利用充放电特性平滑电压波动,普通电容(C52、C53等)滤除高频干扰,最终输出稳定的±5V直流电,为后续模块提供基础供电。
这种设计能适应电网电压±10%的波动,在电压不稳定的工业环境中也能正常工作,确保光开关驱动不受供电影响。

整流降压模块电路原理图
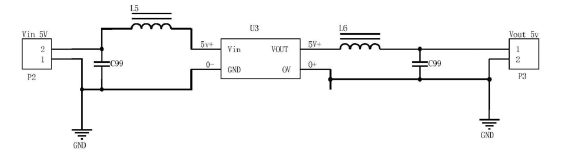
直流隔离模块是电路稳定性的核心保障,我们选用G0505D系列直流隔离芯片,配合电感L5、L6与电容C98、C99组成两级滤波网络。整流降压模块输出的5V直流电,先经电感L5初步过滤杂波,再通过隔离芯片进行电气隔离,最后经电感L6与电容C99二次滤波,输出低噪声、无干扰的纯净5V直流电。
经实测,该模块的噪声抑制比达到60dB以上,能有效隔离电网中的高频干扰、脉冲干扰,确保单片机、升压模块等核心组件不受电源噪声影响,光开关切换精度提升至微秒级。

直流隔离模块电路原理图
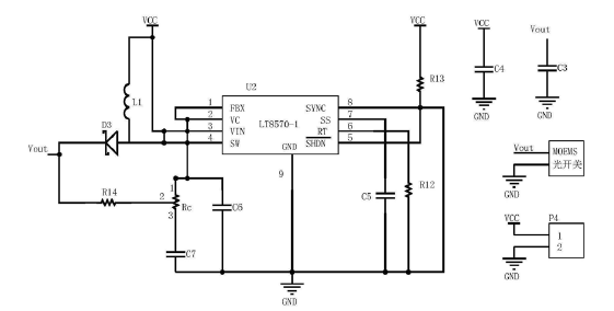
MOEMS光开关的微反射镜驱动需要高压信号,直流升压模块就承担着“低压转高压”的关键任务。我们采用LT8570-1升压型DC/DC转换器,配合电感L1、可调电阻Rc、稳压二极管D3等组件,将5V低压直流电升压至40V高压直流电——这个电压可通过可调电阻Rc(1k-20kΩ)灵活调整,能适配不同品牌、不同型号MOEMS光开关的驱动需求。
同时,模块内置滤波电容C3、C4,进一步稳定输出电压,避免高压波动对光开关造成损坏,确保光开关在长期运行中性能稳定。

直流升压模块电路原理图
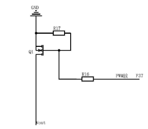
MOS管开关模块是连接低压控制信号与高压驱动信号的“桥梁”,由NMOS管Q1、限流电阻R16与下拉电阻R17组成。单片机输出的PWM控制信号经电阻R16输入NMOS管栅极,控制栅极电压变化:高电平时NMOS管导通,将高压拉低至零;低电平时NMOS管截止,高压信号正常输出。
这种设计实现了“小信号控制大信号”的隔离驱动,既避免了高压对单片机的干扰,又能精准控制高压信号的通断频率,形成稳定的高压PWM扫描信号,确保光开关微反射镜的响应速度与切换精度。

MOS管开关模块电路原理图
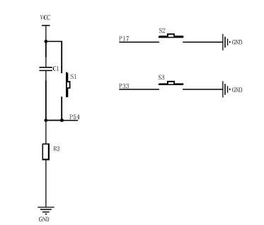
按键模块由三只功能按键(S1-S3)、滤波电容C1与限流电阻R3组成。电容C1与电阻R3构成消抖电路,能有效避免按键误触导致的频率跳变,确保操作精准——这是我们基于实际调试场景的优化设计,解决了传统按键模块易误操作的问题。

按键模块电路原理图
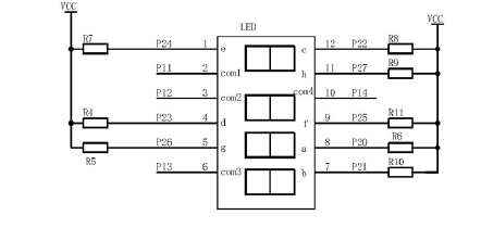
显示模块采用共阴四位数码管,通过电阻R4-R10限流保护,直接与单片机管脚连接,实时显示当前PWM信号频率。数码管亮度适中、显示清晰,即使在强光环境下也能轻松读取,让工程师在调试、维护时无需额外携带测量仪器,大幅提升工作效率。

显示模块电路原理图
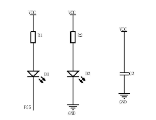
状态指示模块由电源指示单元与单片机指示单元组成,通过两只发光二极管(D1、D2)直观展示设备工作状态:发光二极管D2点亮,说明直流隔离模块工作正常,供电稳定;发光二极管D1点亮,说明单片机控制系统运行正常,PWM信号正常输出。
这种设计能帮助工程师快速排查故障——如果光开关不工作,先看指示灯就能初步判断是供电问题还是控制问题,无需逐一检测电路,维护效率提升50%以上。模块还内置滤波电容C2,进一步滤除供电杂波,确保指示信号稳定可靠。

状态指示模块电路原理图
我们选用STC15W401AS_SOP28_SKDIP28型号单片机,这款单片机低功耗、抗干扰能力强,能适应工业级恶劣环境。单片机内部烧录专用控制程序,承担着PWM信号生成、按键信号接收、频率计算、显示控制等核心任务——收到按键模块的控制信号后,实时调整PWM信号频率,并同步到显示模块,形成“操作-处理-反馈”的闭环控制。
在实际应用中,这款单片机的响应速度快,频率调整延迟低于1ms,能精准匹配MOEMS光开关的驱动需求,确保光开关切换及时、准确。

单片机引脚接线图
广西科毅MOEMS光开关驱动电路凭借稳定的性能、灵活的调控方式和简洁的结构设计,已成功应用于多个行业场景:
数据中心:适配光交叉连接设备(OXC),实现光路快速切换与冗余保护,在数据中心双活、多活架构中,确保数据传输不中断——某大型互联网企业数据中心使用后,光路切换故障率从0.3%降至0.01%;
5G通信网络:用于5G基站的光分插复用设备(OADM),满足高频次、高稳定的光路切换需求,适配基站扩容、网络优化等场景,目前已在广西、广东多个5G基站项目中应用;
光纤传感系统:适配油气管道监测、桥梁健康监测等光纤传感网络,确保传感信号传输稳定——在某油气管道监测项目中,驱动电路的低噪声设计让传感数据采集精度提升20%;
光通信设备研发:为高校、科研机构提供标准化驱动方案,加速MOEMS光开关研发进程,目前已与国内3家高校达成合作;
工业控制领域:用于工业自动化生产线的光信号传输控制,适应高温、高湿、强电磁干扰的工业环境,运行稳定无故障。
广西科毅光通信科技有限公司专注光通信核心器件研发、生产与销售多年,始终坚持“技术创新、品质为本”的理念。我们的研发团队由多名深耕光通信领域的工程师组成,累计获得多项国家专利,技术实力处于行业领先水平。
这款MOEMS光开关驱动电路是我们结合市场需求、历经多次技术迭代的核心产品——不仅通过了严格的高低温测试(-40℃~85℃)、电磁兼容性测试,还可根据客户需求提供定制化修改服务,适配不同功率、不同型号的MOEMS光开关。从产品设计、元器件采购、生产制造到售后服务,我们建立了全流程质量控制体系,确保每一套驱动电路都能满足客户的实际应用需求。
在光通信技术快速发展的今天,稳定、高效、安全的驱动方案是MOEMS光开关发挥最优性能的关键。广西科毅MOEMS光开关驱动电路凭借实时调控、精准显示、低噪供电、安全驱动的核心优势,彻底解决了传统驱动方案的痛点,为光通信设备厂商、科研机构、系统集成商提供了可靠的技术解决方案。
择合适的光开关等光学器件及光学设备是一项需要综合考量技术、性能、成本和供应商实力的工作。希望本指南能为您提供清晰的思路。我们建议您在明确自身需求后,详细对比关键参数,并优先选择像科毅光通信这样技术扎实、质量可靠、服务专业的合作伙伴。
如果您对磁光开关产品有需求,或想了解更多光通信相关产品信息,访问广西科毅光通信官网www.coreray.cn浏览我们的光开关产品,或联系我们的销售工程师,获取专属的选型建议和报价!
(注:本文部分内容由AI协助习作,仅供参考)