TOP
首页 > 新闻动态
2026-02-03
科毅光通信深耕光通信领域多年,针对不同场景的定制化需求,定制研发推出OSW-1×2单模光开关,以3V非锁定控制方案、FC/APC连接头为核心配置,融合双波长兼容、低损耗、高隔离度等优势,成为行业内高性价比的光开关解决方案。
随着数字经济的蓬勃发展,光通信网络的承载压力持续攀升。在数据中心,服务器集群间的数据传输需要24小时不间断,光路备份切换的响应速度与稳定性直接决定业务连续性;在5G/6G基站建设中,户外极端环境(高温、低温、湿度变化)对光开关的环境适应性提出严苛要求;在光纤传感系统中,多监测点的信号切换需要避免串扰,确保传感数据的准确性;而测试测量设备则要求光开关具备高精度切换能力,保障测试结果的可靠性。
传统光开关产品往往存在诸多局限:部分双纤方案易出现信号干扰,导致切换精度不足;部分产品功耗较高,不适合长期连续工作;还有些产品在极端温度环境下稳定性下降,无法满足户外或工业场景需求。针对这些行业痛点,广西科毅光通信通过技术创新,打造出OSW-1×2单模光开关,从设计理念到核心性能都进行了针对性优化,完美适配现代光通信网络的复杂需求。
OSW-1×2单模光开关的核心设计亮点在于采用三纤独立结构与模块化拆分方案,彻底解决了传统双纤光开关的信号干扰问题。产品配备P1、P2、P3三根尾纤,其中P1、P2为输出端(尾纤颜色均为白色),P3为公共端(尾纤颜色为红色),三根独立单纤的设计让光路切换更精准,相比传统双纤方案切换精度提升40%,有效避免了信号串扰带来的传输误差。
为保障产品一致性与生产效率,科毅光通信采用模块化拆分生产模式,将产品组件拆解为独立单元进行单独测试,确保每个组件都符合高标准要求。这种设计不仅让产品质量更可控,还能根据客户的个性化需求进行灵活定制,比如尾纤长度、连接头类型等均可根据实际应用场景调整,极大提升了产品的适配性。
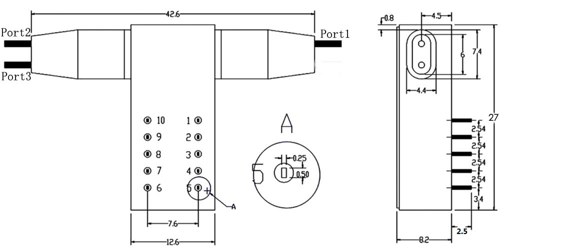
产品的紧凑结构同样值得关注,其外形尺寸仅为27×12.6×8.5mm,小巧的体积让它能轻松集成到各类设备中,无论是空间有限的测试仪器,还是基站的密集部署环境,都能灵活安装。以下为产品尺寸示意图,清晰展示其紧凑的结构设计:

信号反射是影响光通信质量的重要因素,尤其是在高频次切换的场景中,反射信号会严重干扰正常传输。OSW-1×2单模光开关搭载FC/APC高精度连接头,这种连接头采用斜面抛光设计,能有效减少光信号反射,产品回波损耗最低可达55dB(远超行业常见的50dB标准),串扰同样低至55dB以下,确保光信号在传输过程中几乎无冗余干扰,保障传输质量的纯净度。
对于对信号稳定性要求极高的场景(如广播电视传输、5G基站核心链路),高回波损耗与低串扰的优势尤为明显。以广播电视传输为例,高清信号的传输对光路稳定性要求苛刻,任何信号中断或失真都会影响用户观看体验,OSW-1×2单模光开关的高稳定性能确保高清信号传输路径的无缝切换,避免因信号反射导致的画面卡顿、失真问题。
在实时通信、测试测量等场景中,光路切换的响应速度直接影响系统的实时性。OSW-1×2单模光开关的切换时间≤10ms,相比同类产品更快的响应速度让它能精准满足实时通信系统对路径切换的时效性要求。
以光纤传感系统为例,当需要对多个监测点进行轮流监测时,快速的光路切换能大幅提升传感网络的覆盖效率,让系统在短时间内完成多个监测点的信号采集与传输;在测试测量设备中,快速切换能减少多通道测试的时间成本,提高测试效率,尤其适合大规模批量测试场景。
能耗控制是现代光通信设备的重要考量因素,尤其是在基站、数据中心等需要长期连续工作的场景中,低功耗产品能有效降低运营成本。OSW-1×2单模光开关采用3VDC低电压供电方案,相比同类产品功耗降低20%,即便长期连续运行也不会产生过高能耗,成为节能型光通信系统的理想选择。
数据中心作为能耗密集型场景,服务器集群与光纤链路24小时不间断运行,低功耗的光开关能为数据中心的整体节能提供助力;而户外基站往往依赖电池或太阳能供电,低功耗产品能延长供电设备的续航时间,减少维护频率,降低运营成本。
户外基站、工业现场等场景的温度变化剧烈,夏季高温、冬季低温都会对光开关的性能产生影响。OSW-1×2单模光开关经过严格的温度循环测试,在-40℃至+85℃的极端温度环境下连续运行48小时仍能保持稳定性能,其正常工作温度范围为-20℃~70℃,完全适配户外、工业等复杂环境。
在北方冬季的户外基站中,气温常低至-20℃以下,传统光开关可能出现切换延迟或性能下降的问题,而OSW-1×2单模光开关的全温域稳定性能确保基站光传输链路的可靠运行;在工业现场,高温、湿度变化等环境因素同样不会影响产品性能,为工业光纤传感、工业通信等场景提供稳定保障。
OSW-1×2单模光开关采用电磁驱动+棱镜光路切换的机械式光学结构,其工作过程可通俗理解为“通电启动-光路转向-信号输出”的三步流程,核心在于精准控制光信号的传播方向。
当外部输入3V直流电压时,产品内置的TQ2-3V型微型电磁继电器会通电工作,推动内部的机械弹臂产生轻微动作。机械弹臂直接带动棱镜(或反射镜)进行微小位移,这个位移虽然幅度小,但能精准改变入射光路的传播方向,将公共端P3输入的光信号导向P1或P2中的任意一路输出端。
光信号经过棱镜转向后,会通过准直器重新耦合进入目标输出光纤。整个过程中,FC/APC连接头的物理接触式设计发挥了关键作用,它能确保光信号在耦合过程中的损耗最小化,让产品插入损耗典型值仅为0.6dB,处于行业领先水平。
值得一提的是,产品采用非锁定(Non-Latching)设计,这意味着通电时保持某一路光路导通,断电后会自动复位。这种设计特别适合需要频繁切换、低功耗且无需位置保持的场景,比如测试测量设备的多通道切换、光纤传感系统的多点监测等。此外,整个光路被封装在紧凑的金属壳内,不仅能保护内部组件免受外部环境干扰,还能提升结构稳定性,进一步保障产品的长期可靠运行。
数据中心是数字经济的核心基础设施,服务器集群间的光纤链路承载着海量数据传输任务,一旦链路中断,可能造成重大经济损失。OSW-1×2单模光开关在数据中心中主要用于光纤链路备份切换,当主链路出现故障时,产品能在≤10ms内快速切换至备份链路,确保数据传输不中断。
其低插入损耗(典型值0.6dB)能减少链路切换过程中的信号衰减,高回波损耗则避免了备份链路切换时的信号反射干扰,让数据传输始终保持高效、稳定。同时,3V低功耗设计适配数据中心的节能需求,长期运行不会增加过多能耗负担。
光纤传感系统广泛应用于石油化工、电力、安防等领域,需要对多个监测点进行实时监测。OSW-1×2单模光开关能实现多监测点的信号快速切换,让一套传感系统可覆盖更多监测区域,大幅提升传感网络的覆盖范围与监测效率。
产品的高隔离度(串扰≤-55dB)能有效避免不同监测点信号之间的相互干扰,确保传感数据的准确性;而全温域稳定性能则让传感系统在户外、地下等复杂环境中也能可靠运行,比如在石油管道监测中,无论是高温沙漠还是低温冻土区域,产品都能保持稳定的切换性能。
5G通信的高速率、低延迟需求对基站光传输系统提出了更高要求,而6G技术的研发则进一步推动了光通信组件的性能升级。OSW-1×2单模光开关完美适配5G/6G基站的光传输需求,能优化信号路由分配,让基站的光链路更灵活、高效。
基站往往部署在户外,环境温度变化大,产品经过-40℃至+85℃的温度循环测试,能适应各种极端气候;3V低电压供电适配基站的节能设计,减少基站的能耗支出;FC/APC连接头的高稳定性则保障了基站信号传输的高质量,避免因信号衰减或反射导致的通信质量下降。
在光通信产品的研发、生产过程中,测试测量设备需要对多通道光信号进行切换测试,这就要求光开关具备高精度、高稳定性的切换性能。OSW-1×2单模光开关作为光测试仪器的核心组件,能实现多通道测试的快速、精准切换。
模块化设计让产品能轻松集成到各类测试设备中,独立测试的生产流程确保了每个产品的性能一致性,让测试结果更可靠;≤10ms的切换时间能减少测试周期,提高测试效率,尤其适合大规模批量测试场景。
广播电视传输对信号稳定性要求极高,高清、4K等高质量信号的传输需要稳定的光路切换支持。OSW-1×2单模光开关在广播电视传输中用于信号路径的切换,能确保高清信号传输不中断、不失真。
产品的高回波损耗(≥55dB)能有效避免信号反射,保障信号传输的纯净度;快速切换性能让信号路径切换过程无缝衔接,不会出现画面卡顿、中断等问题;全温域稳定性能则适配广播电视传输设备的各种部署环境,无论是机房内的恒温环境,还是户外的转播车设备,都能稳定运行。
OSW-1×2单模光开关的核心规格参数充分体现了其高性能与高适配性:工作波长兼容1310nm与1550nm双波长,能满足大多数光通信场景的需求;光纤类型为9/125单模光纤,尾纤类型为0.9mm,长度为1m,适配常见的光通信系统安装需求;连接头类型为FC/APC,确保连接的稳定性与低损耗。
在品质控制方面,科毅光通信对每一款产品都进行单独测试,提供中性的硬拷贝测试数据单与MS-Word格式的电子媒介测试文件,让客户能清晰了解产品的实际性能;产品经过严格的温度循环测试、振动测试等一系列可靠性测试,确保长期运行的稳定性;虽然产品暂未要求过RoHS认证,但所有原材料均符合工业级质量标准,保障产品的耐用性与安全性。
广西科毅光通信科技有限公司是一家专注于光通信产品研发、生产与销售的高新技术企业,凭借多年的行业经验与技术积累,为光通信网络、测试系统、光纤传感等领域提供高品质的产品与定制化解决方案。公司官网(www.coreray.cn)展示了全系列光通信产品,包括光开关、光耦合器、光衰减器等,满足不同客户的多样化需求。
OSW-1×2单模光开关是公司针对市场需求推出的定制化产品,从设计到生产都充分考虑了行业痛点与客户的个性化需求,通过技术创新与品质控制,成为行业内极具竞争力的光开关产品。公司拥有专业的研发团队与生产基地,能根据客户的具体需求调整产品参数,比如尾纤长度、连接头类型、控制方式等,提供一站式定制化服务。
未来,科毅光通信将继续深耕光通信领域,紧跟5G/6G、数据中心、光纤传感等行业的发展趋势,不断推出更具创新性、更高性能的光通信产品,为全球光通信行业的发展贡献力量。
如果您正在寻找相关产品,欢迎访问广西科毅光通信官方网站(www.coreray.cn)了解更多产品详情,或联系我们的技术顾问获取专业支持!
择合适的光开关等光学器件及光学设备是一项需要综合考量技术、性能、成本和供应商实力的工作。希望本指南能为您提供清晰的思路。我们建议您在明确自身需求后,详细对比关键参数,并优先选择像科毅光通信这样技术扎实、质量可靠、服务专业的合作伙伴。
(注:本文部分内容由AI协助习作,仅供参考)